KRS series rotation stage for extreme environmental conditions of vacuum, cryogenic , high-temperature and radiation
Vacuum · Cryogenic · High-temperature · Radiation
Key Features
● Vacuum: up to 10-7Pa
● Operating temperature: down to -80℃ , up to 200℃
● Radiation resistance: up to 106Gy
● Repeatability: ±0.005°(±0.3′)
● Centre load capacity: up to 60Kg
● Motor: stepper or servo
Applications

KRS series rotation stage
60/100/160mm
KRS60 = 180
KRS100 = 180
KRS160 = 90 or 180
| Environmental temperature rating code | Temperature range (℃) |
Vacuum class (Pa,optional) |
Radiation resistance (Gy,optional) |
| RHT | -20~+200 | 10-3 | 106 |
| SHT | -20~+200 | 10-3/10-5/10-7 | - |
| HT | -20~+150 | 10-3/10-5/10-7 | - |
| NTL1 | -40~+85 | 10-3/10-5 | - |
| NTL2 | -40~+100 | - | - |
| NTL3 | -65~+125 | 10-3 | - |
| NTL4 | -80~+40 | 10-3 | - |
| NTL5 | -55~+150 | - | - |
Blank = Non-vacuum
V3 = Low pressure or vacuum to 10-3Pa
V5 = Vacuum to 10-5Pa
V7 = Vacuum to 10-7Pa
Blank = No radiation resistance
RH = Radiation resistance (total dose 106Gy)
e.g.
KH42 = KH series 42mm stepper motor
KVM57 = KVM series 57mm stepper motor
KECM100 = KECM series 100W servo motor
KSSM400 = KSSM series 400W servo motor
Technical Specifications
| Model number | Rotation range (°) |
Aperture diameter (mm) |
Gear ratio | Centre load capacity (Kg) |
Mass (Kg, Aluminum /Stainless Steel) |
Speed (°/s) |
Repeatability (°) |
Lateral runout (μm) |
Backlash (″) |
| KRS60 | 360 | 60 | 180 | 3 | 0.66/1.98 | 20 | 0.005 | 15 | 0.08 |
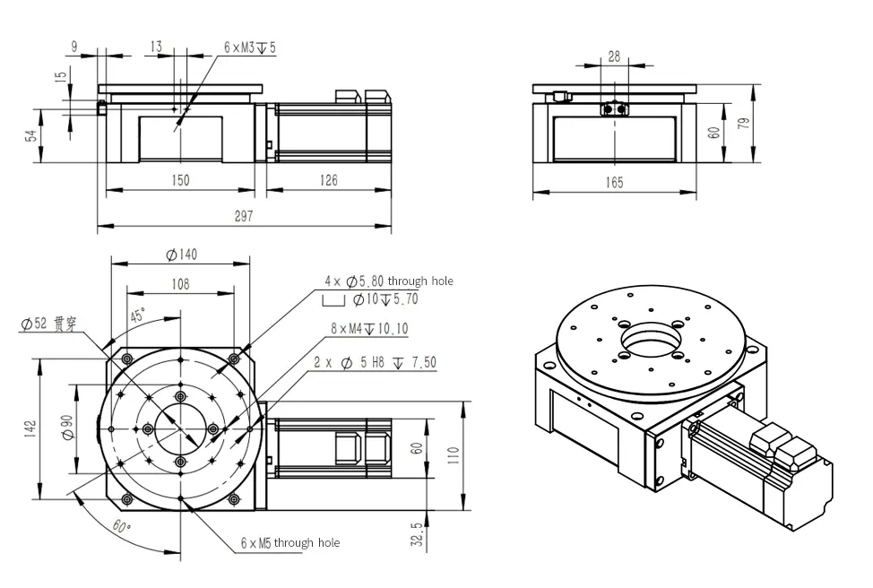
Dimension Drawings

Specifications
| Model number | Rotation range (°) |
Aperture diameter (mm) |
Gear ratio | Centre load capacity (Kg) |
Mass (Kg, Aluminum /Stainless Steel) |
Speed (°/s) |
Repeatability (°) |
Lateral runout (μm) |
Backlash (″) |
| KRS100 | 360 | 90 | 180 | 8 | 1.5/4.5 | 20 | 0.005 | 15 | 0.08 |
Dimension Drawings

Specifications
| Model number | Rotation range (°) |
Aperture diameter (mm) |
Gear ratio | Centre load capacity (Kg) |
Mass (Kg, Aluminum /Stainless Steel) |
Speed (°/s) |
Repeatability (°) |
Lateral runout (μm) |
Backlash (″) |
| KRS160 | 360 | 165 | 90:1/180:1 | 60 | 4/8.5 | 10 | 0.005 | 20 | 0.08 |
Dimension Drawings








