KHB series stepper motors for extreme environmental conditions of cryogenic , high-temperature
Vacuum · Cryogenic · High-temperature · Radiation
Key Features
●Ambient temperature: Minimum -60℃, maximum +85℃
●Flange dimensions: 28/42/57/60/86mm
●Holding torque: 0.1 to 7.5Nm
●Customization options: Position feedback, safety brake, non-marked shaft
Options
●Safe brake
●Encoder feedback
●Integrated stepper drives
Applications
●Biomedical
●Semiconductor manufacturing
●3C manufacturing
●Scientific Instruments
●in-vacuum equipment
●Nuclear energy
●Military and Aerospace
●automative parts testing
●General Automation

KHB series stepper motors
28/42/57/86mm
51/60/76/84/118
D = single shaft
SZ = double shaft
Blank = without brake
B = with brake
Blank = without feedback
R = with resolver feedback
XXXXX: Special Design Identification Code
*lt is not possible to install both brake and position feedback devices on one single motor.
**Kingsni can provide signal converter to convert resolver signals to RS485 output or A/B incremental pulse output.
Technical Specifications
|
model number |
motor length (mm) |
current (RMS,A) |
resistance (Ω) |
inductance (mH) |
holding torque (N.m) |
rotor inertia (g.cm²) |
mass (Kg) |
cable diameter (mm, Including shield) |
IP grade |
|
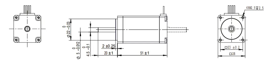
KHB2851D |
51 |
0.8 |
8.55 |
8.61 |
0.1 |
18 |
0.2 |
- |
IP40 |
Dimension Drawings

Torque-speed curve
Specifications
|
model number |
motor length (mm) |
current (RMS,A) |
resistance (Ω) |
inductance (mH) |
holding torque (N.m) |
rotor inertia (g.cm²) |
mass (Kg) |
cable diameter (mm, Including shield) |
IP grade |
|
KHB4260D |
60 |
1.3 |
3.15 |
4.65 |
0.5 |
102 |
0.5 |
4.5 |
IP65 |
Dimension Drawings

Torque-speed curve

Specifications
|
model number |
motor length (mm) |
current (RMS,A) |
resistance (Ω) |
inductance (mH) |
holding torque (N.m) |
rotor inertia (g.cm²) |
mass (Kg) |
cable diameter (mm, Including shield) |
IP grade |
|
KHB5776D |
76 |
1.3 |
3.0 |
1.62 |
1.4 |
480 |
1.0 |
5.0 |
IP65 |
Dimension Drawings

Torque-speed curve

Specifications
|
model number |
motor length (mm) |
current (RMS,A) |
resistance (Ω) |
inductance (mH) |
holding torque (N.m) |
rotor inertia (g.cm²) |
mass (Kg) |
cable diameter (mm, Including shield) |
IP grade |
|
KHB6084D |
84 |
3.5 |
1.22 |
3.97 |
2.2 |
840 |
1.3 |
5.0 |
IP65 |
Dimension Drawings

Torque-speed curve
Specifications
|
model number |
motor length (mm) |
current (RMS,A) |
resistance (Ω) |
inductance (mH) |
holding torque (N.m) |
rotor inertia (g.cm²) |
mass (Kg) |
cable diameter (mm, Including shield) |
IP grade |
|
KHB86118D |
118 |
6.0 |
0.73 |
6.05 |
7.5 |
2700 |
3.9 |
6.0 |
IP65 |
Dimension Drawings

Torque-speed curve






