KECM series servo motors for extreme environmental conditions of vacuum, cryogenic , high-temperature
Vacuum · Cryogenic · High-temperature · Radiation
Key Features
● Vacuum: up to 10-3Pa
Options
Applications

24 = 24VDC(for 100/200/400W)
48 = 48VDC(for 400/750/1000W)
220 = 220VAC(for 100/400/750/1000W, 1800/3800W available on request)
380 = 380VAC(for 1800/3800W)
*For servo motors operated in a vacuum pressure range of 10-10000 Pa, we recommend utilizing a low-voltage (24 or 48 VDC) winding motor to eliminate the risk of breakdown.
100 = 100W
200 = 200W
400 = 400W
750 = 750W
1000 = 1KW
1800 = 1.8KW
3800 = 3.8KW
Blank = resolver. Incremental feedback
To achieve accurate positioning, it is necessary to implement a homing process , as the motor position is not recorded during power-off.
AE = geared multi-turn absolute encoder
With 17-bit single-turn resolution and 12-bit multi-turn. During power-off, the motor position is recorded. No back-up battery is required.
Blank = resolver. Incremental feedback
To achieve accurate positioning, it is necessary to implement a homing process , as the motor position is not recorded during power-off.
AE = geared multi-turn absolute encoder
With 17-bit single-turn resolution and 12-bit multi-turn. During power-off, the motor position is recorded. No back-up battery is required.
Blank = without brake
B = with brake
| Environmental temperature rating code | Temperature range (℃) |
Vacuum class (Pa,optional) |
| NTL1 | -40~+85 | 10-3 |
| NTL2 | -40~+100 | - |
| NTL3 | -60~+100 | - |
| NTL4 | -60~+120 | - |
| L*H* | customized | customized |
* The permissible operating temperature and vacuum level of the KECM servo motor is constrained by the selected position feedback device (resolver or absolute encoder). For further details, please refer to the technical specifications table.
Blank = No special features
SR = Salt spray resistance
Technical Specifications
| Rated power (W) |
Winding voltage (V) |
Rated torque (N.m) |
Peak torque (N.m) |
Rated speed (rpm) |
Maximum speed (rpm) |
Rated current (Arms) |
Peak current (Arms) |
Coil resistance (Ω) |
Coil inductance (mH) |
| KECM-24-100 | 24VDC | 0.32 | 0.96 | 3000 | 5000 | 1.0 | 3.0 | 16 | 5.5 |
| KECM-220-100 | 220VAC | 0.32 | 0.96 | 3000 | 5000 | 1.0 | 3.0 | 16 | 5.5 |
| Speed constant (V/krpm) |
Torque constant (N·m/A) |
Inertia (Kg·cm²) |
Mass (Kg) |
Mechanical time constant (ms) |
Electrical time constant (ms) |
Axial load (N) |
Radial load (N) |
Safe brake | Ambient humidity |
| 21.00 | 0.32 | 0.04 | 0.5 | 2.9 | 0.34 | 40 | 25 | 24VDC,≥1A | 95%,RH |
| 21.00 | 0.32 | 0.04 | 0.5 | 2.9 | 0.34 | 40 | 25 | 24VDC,≥1A | 95%,RH |
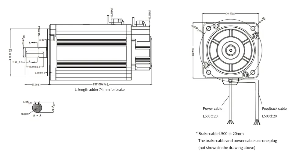
Dimension Drawings

Technical Specifications
| Rated power (W) |
Winding voltage (V) |
Rated torque (N.m) |
Peak torque (N.m) |
Rated speed (rpm) |
Maximum speed (rpm) |
Rated current (Arms) |
Peak current (Arms) |
Inertia (Kg·cm²) |
Mass (Kg) |
| KECM-24-200 | 24VDC | 0.64 | 1.92 | 3000 | 3500 | 11 | 33 | 0.18 | 1.4 |
Dimension Drawings

Technical Specifications
| Rated power (W) |
Winding voltage (V) |
Rated torque (N.m) |
Peak torque (N.m) |
Rated speed (rpm) |
Maximum speed (rpm) |
Rated current (Arms) |
Peak current (Arms) |
Inertia (Kg·cm²) |
Mass (Kg) |
| KECM-24-400 | 24VDC | 1.27 | 3.8 | 3000 | 3500 | 21 | 33 | 0.28 | 1.3 |
| KECM-48-400 | 48VDC | 1.27 | 3.81 | 3000 | 3500 | 11 | 33 | 0.28 | 1.4 |
| KECM-220-400 | 220VAC | 1.27 | 3.8 | 3000 | 3500 | 2.80 | 8.40 | 0.28 | 1.4 |
Dimension Drawings

Technical Specifications
| Rated power (W) |
Winding voltage (V) |
Rated torque (N.m) |
Peak torque (N.m) |
Rated speed (rpm) |
Maximum speed (rpm) |
Rated current (Arms) |
Peak current (Arms) |
Inertia (Kg·cm²) |
Mass (Kg) |
| KECM-48-750 | 48VDC | 2.39 | 7.1 | 3000 | 3500 | 16 | 48 | 0.92 | 3.25 |
| KECM-48-750 | 220VAC | 2.39 | 7.1 | 3000 | 3500 | 3 | 9 | 1.12 | 2.65 |
Dimension Drawings

Technical Specifications
| Rated power (W) |
Winding voltage (V) |
Rated torque (N.m) |
Peak torque (N.m) |
Rated speed (rpm) |
Maximum speed (rpm) |
Rated current (Arms) |
Peak current (Arms) |
Inertia (Kg·cm²) |
Mass (Kg) |
| KECM-48-1000 | 48VDC | 3.18 | 6.3 | 3000 | 3500 | 27 | 54 | 1.36 | 2.8 |
| KECM-220-1000 | 220VAC | 4.5 | 13.6 | 2500 | 3500 | 4.4 | 13.5 | 1.36 | 3.08 |
Dimension Drawings

Technical Specifications
| Rated power (W) |
Winding voltage (V) |
Rated torque (N.m) |
Peak torque (N.m) |
Rated speed (rpm) |
Maximum speed (rpm) |
Rated current (Arms) |
Peak current (Arms) |
Inertia (Kg·cm²) |
Mass (Kg) |
| KECM-380-1800 | 380VAC | 6 | 18 | 3000 | 3500 | 3.5 | 10.5 | 5.0 | 6.75 |
Dimension Drawings

Technical Specifications
| Rated power (W) |
Winding voltage (V) |
Rated torque (N.m) |
Peak torque (N.m) |
Rated speed (rpm) |
Maximum speed (rpm) |
Rated current (Arms) |
Peak current (Arms) |
Inertia (Kg·cm²) |
Mass (Kg) |
| KECM-380-3800 | 380VAC | 15 | 30 | 2500 | 2800 | 8 | 16 | 11.2 | 10.9 |
Dimension Drawings










